carrello>30 SPED. GRAT. - carrello>150 SC.20% - carrello>400 SC.25% - carrello>800 SC.30%- carrello>79€ OMAGGIO SAPONE SANITEC 1LT
carrello>30 SPED. GRAT. - carrello>150 SC.20% - carrello>400 SC.25% - carrello>800 SC.30%- carrello>79€ OMAGGIO SAPONE SANITEC 1LT
Vai al contenuto

Supporto INOX con Cuscinetto INOX UCP211

€117,13

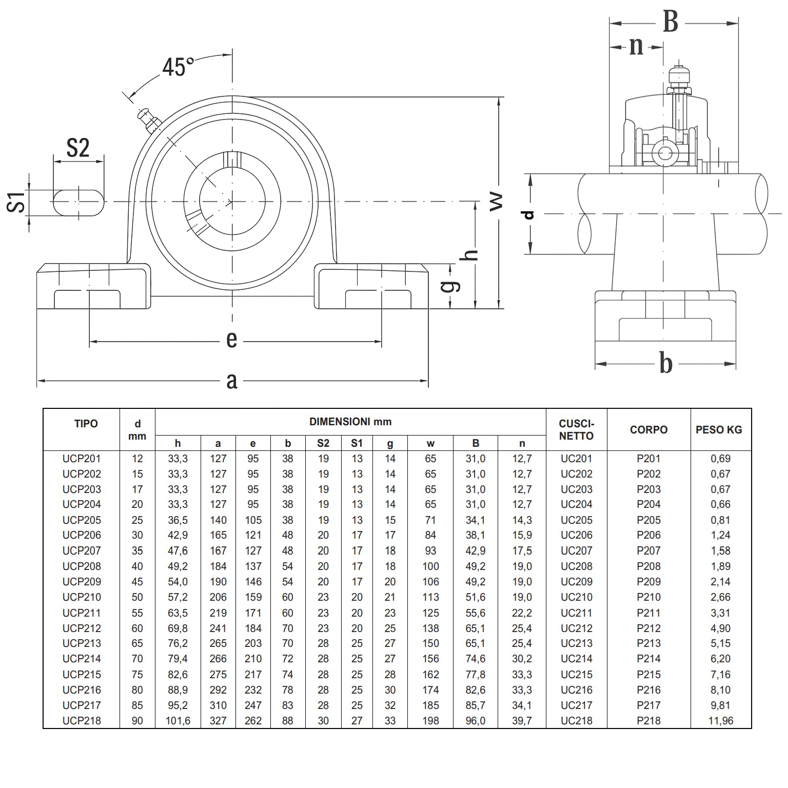
Supporto con cuscinetto e flangia INOX UCP211.

Questa scheda d'ordine presenta un supporto con cuscinetto INOX di alta precisione per una trasmissione del moto senza vibrazioni. Il corpo della flangia è in INOX (AISI 304) e le guarnizioni del cuscinetto lo proteggono da umidità e polvere, consentendo una lunga durata al supporto flangiato con cuscinetto. Per le dimensioni fare riferimento alla tabella tecnica tra le immagini sulla riga UCP211 o scaricare il pdf cliccando qui.

Per ordini superiori ai 1000€ scrivici a info@tecnocamsrl.it.

Generalmente sulla flangia del supporto da sostituire è riportato il codice che lo identifica. Pertanto, se sul cuscinetto è riportata la scritta UC(211) e sulla flangia in inox è riportata la scritta P211, non è necessario fare altre verifiche.

I nostri supporti flangiati con cuscinetto sono lubrificati con grasso e già pronti per l'installazione e possono lavorare a una temperatura compresa tra -20° e +100°C.

Metodi di pagamento accettati

Avvisami quando torna disponibile